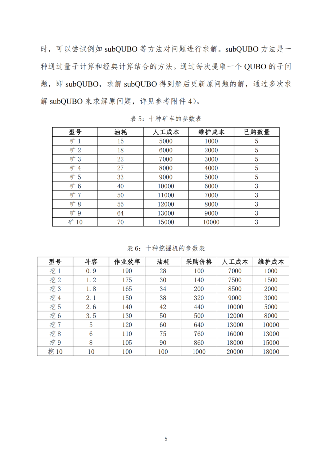
MathorCup组委会与北京玻色量子科技有限公司已合作多年。
一方面为参赛选手提供了优质赛题,另一方面也为大家提供了就业方面的最佳福利:参加MathorCup数学应用挑战赛并且表现优异的同学将择优进行录取!
2025玻色量子秋季招聘计划正式启动,欢迎各大高校的同学们投递简历(详细招聘岗位和信息见文末)。
扫描下方二维码进行报名:
为了展现高校学生学科基础,提高学生运用数学和大数据分析方法解决实际问题的能力,培养创新精神及合作意识,促进课外科技活动。
MathorCup数学应用挑战赛组委会决定在“MathorCup数学应用挑战赛”中增加大数据专题赛项——“大数据伟德足球官网下载手机版安装”。
伟德足球官网下载手机版安装以企业真实场景数据为基础,面向全国高校学生,管理科学、大数据、经济管理、人工智能、数学、计算机等专业均可参加,共同探索数据科学的应用实践,推动产学研用协同发展!
扫描下方二维码进行报名:
或复制下方链接进行报名:
//www.icdtc3.com/vse/bigdata2025?ces=public
伟德足球官网下载手机版安装分组别分赛题评选出:
一等奖(5%)
二等奖(15%)
三等奖(30%)
颁发“MathorCup数学应用挑战赛——大数据伟德足球官网下载手机版安装”获奖证书。
初赛中排名前10%的队伍进入复赛,
复赛中排名前50%的队伍评选为一等奖。
所有参赛队伍(不分组别、不分赛题)中评选:
金奖1支队伍(奖金10000元税前)
银奖2支队伍(奖金5000元税前)
铜奖5支队伍(奖金2000元税前)
组委会为所有报名选手提供伟德足球官网下载手机版安装专属免费课程,共30+节,特邀高校优秀数模老师主讲。报名成功后专属课程将自动关联报名账号!
组委会将于比赛开始前邀请领域内的专家学者老师,为大家举办线上公开讲座,详细地介绍比赛的准备技巧以及比赛需要的建模知识,具体时间将在开课前通知。
中国及境外在校学生(包括研究生、本科生和专科生);
具体要求如下:
(1)可以自由组队参赛,每个参赛队伍人数可为1–3人,参赛队员必须全部为在校生,允许跨年级、跨专业、跨校组队。
(2)参赛组别的确定依据是团队成员中的最高在读学历。
(3)每支队伍允许最多有一名指导老师。
报名阶段
即日起-2025年10月24日
初赛阶段
2025年10月24日18:00至2025年10月31日20:00
复赛阶段
2025年12月5日18:00-2025年12月12日20:00
参赛群8:1014311372
组委会官方QQ:2135234783
联系电话&微信:18210922591(郭老师)
伟德足球官网下载手机版安装邮箱:mathorcup@mathor.com
点击下方“阅读原文”进入伟德足球官网下载手机版安装官网